BLUM CLIP TOP 120° 70T5650.TL, POLONALOŽENÝ, BEZ PERA
- Domov
- E-shop
- NÁBYTKOVÉ KOVANIE
- ZÁVESY VÝKLOPY SKLOPY
- Závesy
- BLUM
- Polonaložené
- BEZÚCHYTKOVÉ OTVÁRANIE
Katalóg. číslo:
565652
Značka:
BLUM
Podrobný popis
komfortné nastavenie hĺbky pomocou závitovej skrutky
nastavenie čela v troch smeroch
montáž a demontáž dvierok na korpus bez použitia náradia
kompatibilný s existujúcimi montážnymi podložkami
použitie: štandardný záves
typ: CLIP top
kód výrobcu: 70T5650.TL
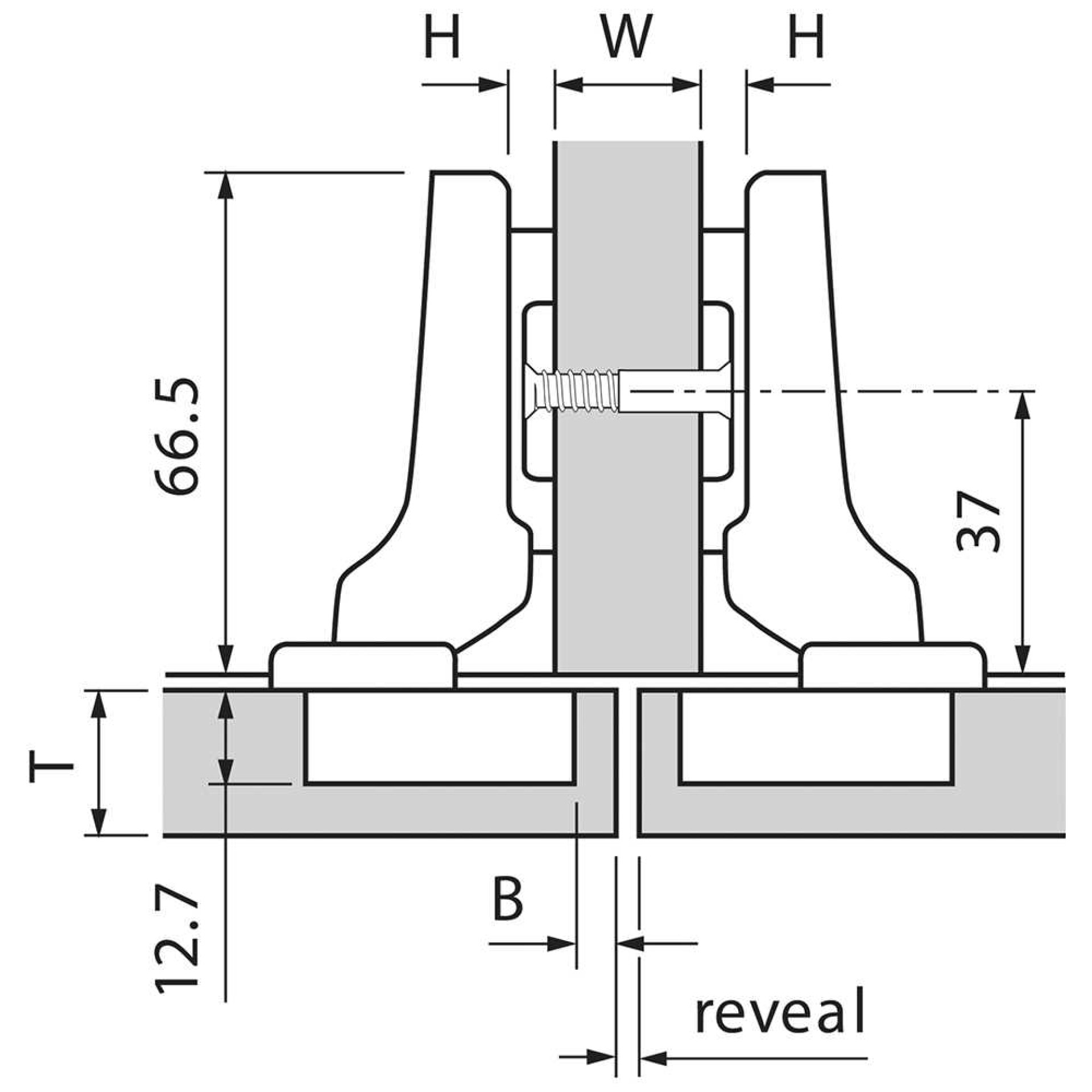
typ závesu: polonaložený
zalomenie (mm): 9
spôsob montáže: skrutky
vyhotovenie: bez pružiny
Materiál: Oceľ
Povrchová úprava: Nikel
Vlastnosti: tip-on
Typ závesu: Polonaložený
Uhol otvorenia: 120°
Váha:
0,10 kg
Súvisiace produkty







Posledne prezerané
